138-5256-1991
首页
公司介绍
产品中心
联系我们
产品中心
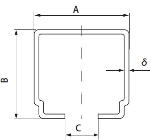
1030-1070系列C-轨道悬挂系统
C-型轨
产品编号:
XE1030-1070